We are here: -> home -> a100 -> rogue_envelope


Doepfer A100 - switchable AD/ASR envelope

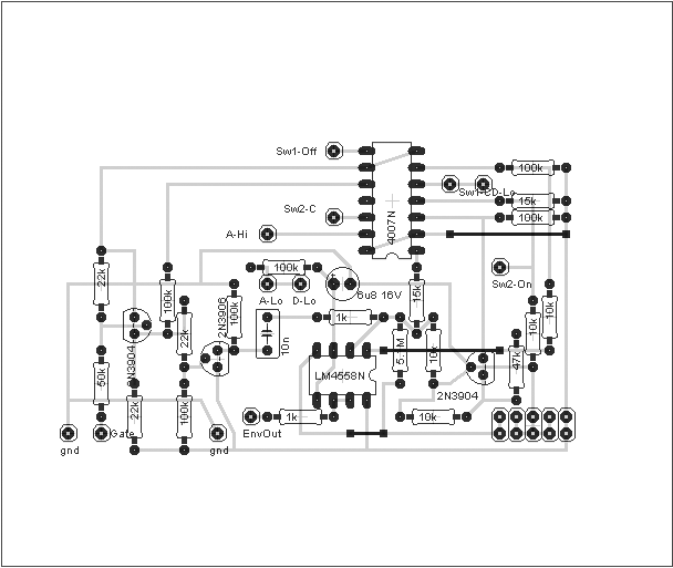
THe Envelope of the Moog Rogue provides only two parameters: one rise time (attack) and one fall time (decay or release). Also it provides a switch which enables Sustain. If the Sustain is enabled, then the falling time is a Release. If the Sustain is disabled, then the falling time is a Decay. I did not yet build this module, but I publish here the circuit and the pcb-layout.

pcb-Layout solderside

The pcb layout parts side

the circuit diagram - click on the image, to open the diagram in full size in a new window

A full description of the circuit and a parts list will follow, as soon as I really tested it. You may find the original circuit here.

to top of document


© florian anwander Jan. 2003, 2008